近日,国家知识产权局公布专利“一种智能型微电网切换与保护装置及系统”,申请人为上海电气集团股份有限公司。
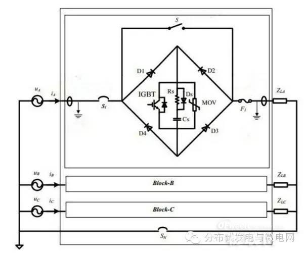
本发明公开了一种智能型微电网切换与保护装置及系统,包括开关单元和智能控制单元,开关单元包括并联的高速电磁斥力开关和固态开关模块,用于控制公共电网与微电网的关合/分断;智能控制单元包括信息采集与处理模块、故障判别模块、中央控制单元以及驱动与保护模块,信息采集与处理模块用于获取采样信号,故障判别模块根据采样信号判断是否出现电路故障,中央控制单元针对故障判别模块的判断结果进行处理,根据不同的工况精确控制开关各组件的动作时序,实现微秒级的开关组件协调控制,最终通过驱动与保护模块来实现高速电磁斥力开关和固态开关模块的关合/分断操作。
本发明在电网故障时可实现快速脱网,实现微电网非计划性无缝切换,保证微电网的电能质量;故障恢复后,准确判断并网时刻快速稳定并网,无冲击。
分布式发电与微电网
未经允许不得转载:物联网的那些事 - Totiot » 发明公布︱一种智能型微电网切换与保护装置及系统

微信关注,了解更多 
