近年来,物联网技术发展迅速,全社会的信息化水平不断提升。智能家居是物联网的主要应用之一,已成为当前的热门研究领 域,也是未来家居生活的发展方向 。它能够为用户提供舒适、便利的生活环境。但由于市场上的相关产品大多价格昂贵,普及率依然较低。以往的探索与开发往往停留在对电器设备本身的改造上,这 种尝试使智能家居产品一度成为奢侈品。本文介绍了一种电能控制系统,作为智能家居的重要组成部分,它在不改动原有电器设备的基础上实现了远程自动控制功 能。
1 系统结构
该电能控制系统由遥控器和插座节点组成,其工作原理如图1所示。当用户在家时,通过遥控器以射频方式对插座进行控制。插座节点收到信号后,由微 控制器进行解码,并根据得出的结果,对特定编号的插座做通断电处理,从而使与其连接的用电器被启动或者关闭。当用户离住所较远时,可通过GSM网络向遥控 器发送手机短信 ,微控制器读取信息后,通过射频芯片,将信息传递到室内的无线网络中,进而使相应地址上的插座受到控制。由此可见,遥控器在整个智能家居系统中属于网关节 点 ,一方面,它与插座节点组成了室内射频局域网,另一方面,它又与GSM网络相连,延展了遥控距离。遥控器的内部结构如图2所示,包括温湿度检测电路、时钟 模块、nRF905射频收发模块、GSM模块等功能电路,这些模块均与控制核心LM3S811相连。该微控制器采用ARM Coaex-M3架构,由于依托高密度的Thumb-2指令集,内存开销大大降低,操作系统的移植也更加方便。

图1 遥控插座工作原理

图2 遥控器结构框图
插座节点主要实现与遥控器的射频通信以及继电器的通断控制,其结构框图如图3所示。插座中的烟雾传感器用于预防火灾危险。一旦检测到烟雾或可燃 性气体,插座上对应的继电器将断开,并通过射频收发模块向遥控器汇报,遥控器收到信息后,再通过GSM模块的短信功能及时提醒用户采取相应的措施,防止危 险的发生或财产损失的进一步扩大。由于插座端工作量较少,从成本和性能两方面考虑,本系统采用STC12C5620AD微控制器作为插座端的主控芯片。

图3 插座节点结构框图
2 硬件电路设计
2.1 温湿度检测电路
本系统采用温度传感器LM35和湿度测量模块CHM-02进行环境监测。LM35的电压输出与摄氏温度呈线性关系,无需校准就可在常温环境下 达±l/4℃的测量精度。CHM-02模块可在0~70 ℃的温度下对20~95%RH范围内的湿度进行检测,室温下的测量精度为5%RH.温湿度传感器与MCU的接口示意图如图4所示。由于两种传感器输出的模 拟信号在MCU片内A/D采样电路的检测范围内,所以直接将两者的输出端与MCU的两个ADC引脚连接。模拟式传感器的使用不但充分利用了控制器的片上资 源,而且提高了子程序的利用率。

图4 温湿度传感器与MCU的接口示意图
2.2 烟雾检测电路
烟雾传感器MQ一2基于SnO:的电化学特性,对可燃性气体及烟尘有良好的检测灵敏度。烟雾检测电路原理图如图5所示。MQ.2在正常工作前需 要对内部加热丝的H.h两极通电预热 ,为了防止加热电流过大而导致内部信号线温度过高,此处将加热丝与100 Q电阻串联。当环境中的烟雾或可燃气体超过警戒阈值时,传感器A.B两极间的电导率迅速增加,与其串联的负载电阻m所获得的电压也相应增加,该电压信号经 低功耗运放TLC27M2放大后,得到与烟雾或可燃气浓度相对应的模拟量输出,最终接人控制器的ADC模块进行量化。

图5 烟雾检测电路原理图
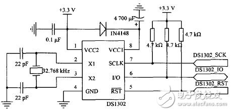
2.3 时钟模块
时钟模块除了显示系统时间以外,还可对单个插座进行通断电定时。时钟电路原理图如图6所示,DS1302通过串行方式与MCU通信,为保证信号 传输的稳定性,接口已做上拉处理。芯片采用双电源供电,主电源正常工作时可以对备用电源进行涓细电流充电;在掉电情况下启动备用电源,避免因突然停电而造 成时钟停滞 。考虑到使用的便捷性,遥控器由锂电池供电。DS1302的主电源引脚VCC2连接到集成稳压器的3.3 V输出,而备用电源引脚VCC1与4700 μF的电容串接,两个电源引脚之间通过二极管隔离。由于芯片耗电量很低,在更换电池的过程中,电容的放电作用可以暂时维持芯片运行。

图6 时钟电路原理图
2.4 射频收发模块nRF905
射频收发模块是连接插座与遥控器的桥梁。nRF905集成收发器能在3个ISM频段配置使用,且功耗很低。本系统中的所有节点均设置在433 MHz频段工作嘲,射频收发电路原理图如图7所示,其中的SMA接口用来连接特性阻抗为5O Ω的单端天线,有利于信号的全向辐射。单端天线又被称为非平衡天线,其主要参考点为信号地,而nRF905的天线接口(引脚ANT1和ANT2)为差分射 频输出端口。为了维持信号平衡,保证两个端口的阻抗匹配,此处在两者之间增加了balun(平衡月乍平衡)电路,对芯片输出端的特性进行调节。

图7 射频收发电路
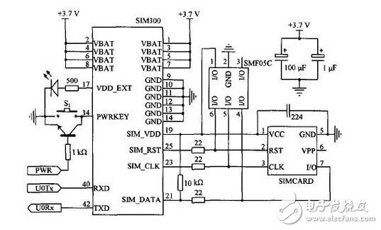
2.5 GSM通信模块
将短距射频网络与GSM技术相结合,既发挥了短距射频网络配置灵活的特点,又发挥了GSM技术在通信距离上的优势。GSM通信电路的核心是SIM300模块,其外围电路如图8所示。

图8 GSM通信电路原理图
原理图SIM300通过串口与MCU通信,模块与SIM卡之间串联的22 Ω电阻用于阻抗匹配。为保证信号的传输质量,SIM卡数据线作了上拉处理,与引脚并联的SMF05C型静电抑制器用于静电防护。电源与地之间并联的100 μF钽电容和1 μF陶瓷电容用于去除低频毛刺,并在一定程度上兼顾了高频特性。按下按键S1,使PWRKEY引脚的电位拉低约2 s左右,可以完成模块的上电与掉电,当前状态由串联在VDD_EXT引脚上的发光二极管指示。为了便于程序控制,在原有按键的基础上增加了一种三极管开关 电路,当模块工作异常时,可以通过软件改写PWR端口的状态来实现SIM300的自动复位。
3 软件设计
遥控器和插座对于整个射频无线网络而言都是其中的节点,但硬件结构上的差异决定了两者功能与地位上的不同,也使得两者在软件设计的方式上有所差别。
3.1 遥控器节点程序设计
遥控器是系统的控制核心,也是用户与插座之间联系的纽带,因此程序中的并发模块多,任务繁重。考虑到遥控器中采用的ARM处理器可提供对操作系 统的全面支持,利用μC/OS-Ⅱ操作系统对该节点中的多个任务进行调度 ,可有效保证系统的实时性和稳定性,也有利于功能的扩展。在进行操作系统移植前,需要对任务进行划分,每个功能对应一个系统任务,同时应避免划分过细而导 致频繁调度的问题。遥控器节点的程序流程如图9所示,其中包含了7个任务,任务之间通过信号量、消息队列、消息邮箱等方式实现同步与通信。从用户的角度来 看,这些任务是并发执行的。

图9 遥控器节点程序流程图
按键扫描任务的优先级在所有用户任务中最高。通过中断方式读取用户输人的按键值,数据存人消息邮箱KeyMbox中,若数字键1-6被按下,则 通知射频发送任务处理;若时钟设置按键被按下,则进行时钟调整或定时器设置。时钟定时任务用于获得DS1302的时钟输出值,在定时时间到达后,发送消息 通知射频发送任务处理,完成后自动挂起。射频发送任务是根据其他任务中获得的控制码,以射频方式对相应编号的插座发送通断电控制信号,随后等待插座端返回 动作信息。若超时无反馈则重发1次,重发3次后任务挂起。危险报警任务需经过同频载波检测,地址匹配确认后,才开始接收射频信号,进而将信息送人邮箱,解 码确认危险报警标识后,通过GSM模块,以短消息的方式通知用户。短信接收任务负责接收用户短信,并将其存放在消息邮箱GSMMbox中。通过AT指令 “AT+CMGR=I”每次只读取序号为1的短信息,成功提取控制码(包含插座ID号和开关动作码)后,将该条信息删除,并向射频发送任务传递消息。环境 监测任务负责对室内温湿度信息循环采样。虽然温度传感器的线性度较好,但外界环境对湿度传感器的影响较大,需对其输出电压值作分段线性化处理。数据存放于 消息队列中,最终结果为3次测量值的算术平均值。液晶显示任务优先级最低,待以上任务结束后,负责显示各插座最终的状态、时钟信息以及室内温湿度测量结果 等。
3.2 插座节点程序设计
插座节点程序流程如图10所示,其中最主要的工作是实现射频信号的接收与发送。当没有烟雾报警时,nRF905进入接收模式,同时侦听信道;若 监测到同频载波且数据包地址有效,则启动接收;当CRC校验结果正确,硬件会自行去除数据包的前导码、校验码及地址码 ,并通知MCU数据准备就绪,进而MCU通过SPI串行总线读取接收到的信息。

图1O 插座节点程序流程图
射频信号发送本质上是接收的逆过程。当nRF905进入待机模式后,MCU将地址与数据信息传送至射频芯片的发送寄存器,同时启动芯片进入射频 发送模式,随后片内硬件自动完成对数据的打包、编码、调制及发送任务。一帧数据发送结束后,射频芯片转入待机模式,等待下一次被激活。射频电路的每一次接 收或发送过程都伴随着继电器的接通或断开动作。默认条件下,烟雾传感器处于使能状态,为了防止用户在室内抽烟而导致系统误判,烟雾检测功能也可以设置为失 效。
4 测试与分析
在图11所示住宅中进行现场测试,6个插座和1个遥控器被放置于A到G这7个区域内。为了评估系统的抗干扰能力,在各区域的交界处均放置两个干 扰源,频率为432 MHz和434 MHz.改变遥控器所在位置,对6个插座各遥控200次,并记录插座端的回馈信号。若返回错误信息或不反馈,则作为一次丢包记录。

图11 测试现场网络节点分布图
结果发现,遥控器在C、E两个区域平均误码率略高于其他区域;当遥控器在G区域时,平均误码率最低,效果最好。
5 结语
本系统实现了对家用插座的智能无线控制,在不改动原有家电内部结构的基础上,用户可以通过射频、短信、定时等方式,控制插座的通断电状态。当室 内发生火灾或可燃气体泄漏等情况时,插座能自动断电。整个系统对控制对象没有特殊要求,适应性较强,不失为一种廉价的智能家居解决方案。
作者:物联网世界网 来源:元器件交易网
未经允许不得转载:物联网的那些事 - Totiot » 基于射频网络的智能家居电能控制系统

微信关注,了解更多 
