电子密码锁是一种以高强度密码序列为基础,在单片机上实现的密码开关。它以无线电作为信息媒体,从而实现了遥控,也可以配备一个结构简单的接触式通 讯接口,坚固并且防损。该锁具有使用方便、操作简单、价格低廉等特点。与传统的锁防盗效果相比,它避免了因为机械部分被破坏而导致开锁功能失常,大大增加 了密码锁得防盗功能。同时因为电子密码锁不需要携带钥匙,弥补了钥匙极易丢失和仿造的缺陷,方便了锁具的使用特别适用于那些正常人体不宜接近的特殊场合, 比如高辐射区、高传染区等。基于单片机的家居电子密码锁设计,不仅可以提高人们的生活效率,节约生活资源,而且十分安全可靠。并将以此为起点,构造一个更 加舒适和人性化的生活环境。
电源设计
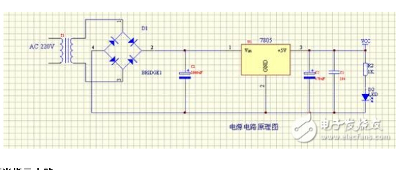
本系统设计为5V直流稳压电源给系统供电,AC220市电经220V~9V变压器变压,然后经桥式整流电路,再经电容滤波电路,经7805稳压管稳压,再进行二次滤波,输出较稳定的5V电压,给本系统供电。

声光指示电路
本系统选用一个PNP三极管,驱动蜂鸣器,直接用单片机的IO口驱动发光二极管。当接收系统 接收到正确的密码时,P1.0输了低电平,这时Q1导通,蜂鸣器发声。P3.7输出低电平,发光管亮。

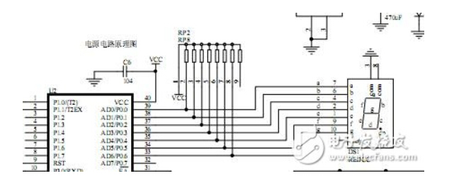
LED数码管显示电路设计
LED是一种较为常用的发光元件。目前以LED为发光元件而研制的显示屏应用可作为实时工业控制系统中的远距离实时信息显示器,对高要求的工艺 流程进行实时显示。目前,LED显示器的主要形式有两种,一种是能够显示各种字符、汉字和图像信息的阵列式LED。另一种则是只能显示0~9这10个阿拉 伯数字及少数几个英文字母的数码式LED,即八段数码管。尽管阵列式LED从功能上来说完全取代数码式LED,但由于前者的成本造价要比后者高得多,实现 方法要比后者复杂,故在很多场合还经常用到数码式LED。
显示原理图如下:

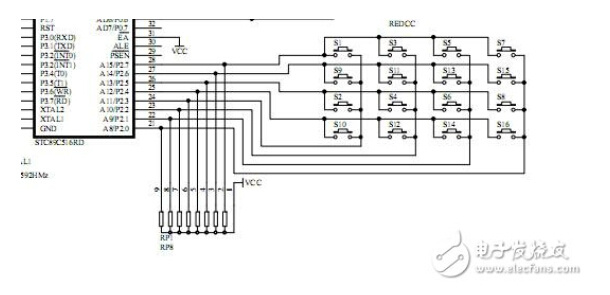
矩阵键盘的设计
TDL9912 发射模块采用 SMD 技术,在稳频处理上采用最先进声表谐振器(SAW)元件,电路板(PCB)采用介质损耗最小的材料,体积小巧,安装方便,使用简单,生产工艺先进,进口仪器调试,出厂前严格 QC,高温加电老化。

本设计是利用无线电传输为途径,方便远距离开锁,不用像传统锁那样一定要将钥匙插进锁里才能开启;利用单片机来设置产生密码,遥控开锁。具有安 全可靠、成本低廉、连接方便、简单易用、结构紧凑等特点。无线遥控是目前使用最广泛的一种通信和遥控手段。由于无线遥控装置具有体积小、功耗低、功能强、 距离远、成本低等特点,因而,工业设备中,在高压、辐射、有毒气体、粉尘等环境下,无线遥控得到了非常广泛的应用。
未经允许不得转载:物联网的那些事 - Totiot » 电子密码锁系统电路设计

微信关注,了解更多 

