一、芯片介绍
为满足更宽输入范围、更大输出功率的系统应用,现金升阳将SCM1201ATA及SCM1212ATA升级为SCM1201BTA及SCM1212BTA。
SCM1201B及SCM1212B是集成了功率MOS管的推挽电源原边控制器。此两款芯片拥有2.7-5.5V的宽电压输入范围,可兼容3.3V、5V输入下1-2W的应用。极限电压9V,高输入电压冲击1s下也不会损坏。芯片内部功率MOS管的驱动对称程度高, 有效减小推挽拓扑的偏磁程度。
此外,此两款芯片还集成了三项关键技术,并满足AEC-Q100汽车标准,满足客户产品高可靠性需求:
1、软启动功能。避免开机大电流冲击而损坏器件,且保证CC负载模式下带容性负载可启动;
2、输出过流和短路保护。一方面区分过流和短路保护的判定和计时,以控制短路温升,同时保证启机容性负载和短路恢复时的容性负载;另一方面根据输入电压和温度调节保护阈值,避免因输入电压及温度的变化而影响保护功能;
3、过温保护。超出规定的温度范围时,芯片自动进入休眠状态,并在温度恢复正常时自动退出休眠状态。
二、产品升级优势
1、更广泛的应用范围:
①输入电压推荐范围由4-8V变更为至2.7-5.5V,启动电压由3.7V降低为2.7V,可兼容3.3V和5V输入应用;
②开关电流最大值由350mA@VCC=5V,调整至600-800mA@VCC=5V,可满足1-2W输出系统应用;
2、更高的可靠性:
①单体静电HBM等级由2kV提升至6kV;
②新增输入过压保护,修改短路和过温保护策略,短路计时由固定变为变化值,休息时间延长为1.5s;
③增加死区随负载分段变化的功能;
④新版满足AEC-Q100汽车标准。
3、其他性能差异:
①静态工作电流由0.8调整为1.2mA,欠压模式下功耗由1.37mA降低为200μA;
②功率管内阻典型值由0.5Ω降低至0.2Ω;
③工作频率典型值由273kHz调整为220kHz。
4、引脚可完全兼容:
SCM1201B的1引脚由VSS改为NC悬空引脚,但在使用时,仍可以将其接在原来的VSS电位,因此SCM1201B及SCM1212B皆可完全兼容SCM1201A及SCM1212A的引脚和封装尺寸。
三、产品应用
可广泛应用于隔离电源供电、工业过程控制、隔离通讯电源、医疗设备、电信设备等领域。
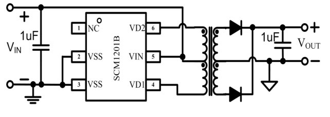
SCM1201BTA典型应用电路(如5V输入,5V/0.2A输出):

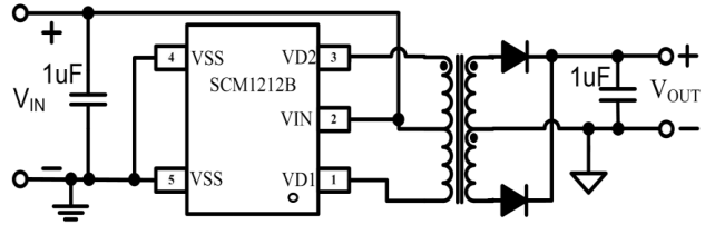
SCM1212BTA典型应用电路(如5V输入,5V/0.2A输出):

四、产品特点
● 宽输入电压范围 2.7-5.5V
● 满足AEC-Q100汽车标准
● 低导通内阻 200mΩ
● 内置两个功率MOS管,高对称准互补驱动
● 启机限定功率管电流
● 过流保护和短路保护
● 过温保护
● 欠压保护
未经允许不得转载:物联网的那些事 - Totiot » 定压推挽控制芯片升级

微信关注,获取更多 





